AO系列压力变送器
一、概述
AO3051小膜盒电容式变送器是我公司引进国外先进技术和设备生产的精巧型变送器。其关键原材料和零部件均采用进口,设计原理先进、品种规格齐全、安装使用简便。该机型外观上融合了目前国内被广泛使用的3051和EJA的特点,使其具有无可比拟的向前、向后的兼容性,可避免您因产品过时或超前所引起的浪费,保护您的投资。为适应国内自动化水平,该系列产品有普通模拟输出型和带HART现场总线协议的智能型两种产品。
二、适用范围
AO3051型变送器是适用于精确地测量微差压到大差压、低压力到高压力、液位、真空度、和比重;配合节流装置还可以测量流量。
三、工作原理
被测介质的两种压力通入高、低两压力室,作用在δ元件(即敏感元件)的两隔离膜片上,通过隔离膜片和δ元件内的填充液传送到预张紧的测量膜片两侧。测量膜片与两侧绝缘体上的电极各组成一个电容器,在无压力通入或两侧压力均等时测量膜片处于中间位置,两侧两电容器的电容量相等。当两侧压力不一致时,致使测量膜片产生位移,其位移量和压力差成正比,故两侧电容量就不等,通过检测此电容极板上的差动电容,再由电子线路把差动电容转换放大成4-20mADC的二线制电流信号。压力变送器和绝对压力变送器的工作原理和差压变送器相同,所不同的是低压室压力是大气压或真空
1、技术指标 | ||
使用对象 | 液体、气体或蒸汽 | |
测量范围 | 表压 | 0~0.1KPa至0~42000 KPa |
差压 | 0~0.1KPa至0~7000 KPa | |
绝压 | 0~6KPa至0~7000 KPa | |
输 出 | 4~20mA DC,智能HART现场总线协议信号输出。 | |
电 源 | 24V DC,可在12V DC工作(带LCD显示最低15VDC),最高45V DC。 | |
负载特性 | ||
正、负迁移 | 不管输出如何,正负迁移后,其量程上、下限不得超过量程的极限。 压力变送器:0-100%基准量程 差压变送器:-100%-100%基准量程 | ||||
温度范围 | 常规变送器工作温度-40℃~+ 85℃ ;带现场指示表-15℃~+ 70℃ 储藏温度:-40℃~+ 100℃ 灌充硅油测量元件的工作温度(LT型的介质温度):-40℃~+ 149℃ 远传式变送器灌充高温硅油时:-15℃~+ 315℃,普通硅油:-40℃~+ 149℃ | ||||
湿度范围 | 相对湿度为1~100% | ||||
传感器容积变化量 | 小于 0.16cm3 | ||||
正、负迁移 | 不管输出如何,正负迁移后,其量程上、下限不得超过量程的极限。 压力变送器:0-100%基准量程 差压变送器:-100%-100%基准量程 | |||
湿度范围 | 相对湿度为1~100% | |||
传感器容积变化量 | 小于 0.16cm3 | |||
指示表 | (现场)指针式;数显式 | |||
防爆类型 | 隔爆型d II CT6; 本安型ia II CT6 | |||
量程和零点 | 外部连续可调 | |||
超压极限 | 量程为6MPa以下的施加:0(绝对压力)~14MPa; 量程为20MPa的施加: 0(绝对压力)~32MPa; 量程为42MPa的施加: 0(绝对压力)~52MPa; 变送器无损坏,法兰可承60MPa | |||
阻 尼 | 在0~32秒之间连续可调。 | |||
启动时间 | 2秒,不需预热。 | |||
2、性能指标 | ||||
综合精度 | 调校量程的±0.1%,±0.2%, (标配精度为±0.1%,若选择其它精度请在订货选型时注明。) | |||
稳定性 | 六个月内不超过变送器精度 | |||
温度影响:在最大量程时(-10℃ -60℃)每 30℃变化量:(智能型*) | 量程代号或名称 | 精确度等级 | ||
0.1级 | 0.2 级 | |||
2 | / | / | ||
3 | / | ≤±0.30% | ||
4、5、6、7、8 | ≤±0.08% | ≤±0.15% | ||
远传、液位 | / | / | ||
静压影响 | 量程代号或名称 | 精确度等级 | ||
0.1级 | 0.20级 | |||
2 | / | / | ||
3 | / | 0.5% | ||
4、5、6、7、8 | 0.10% | 0.30% | ||
4、5、6、7(高静压) | / | 2% | ||
振动影响 | 在任意轴向上,频率为200Hz,引起的误差为最大量程的±0.05%/g,量程代号2(微差压)为±0.25%/g | |||
电源影响 | 小于输出量程的0.005%/V。 | |||
负载影响 | 电源稳定时,无负载影响。 | |||
安装位置影响 | 最大可产生0.24KPa的零点误差,但可校正,对量程无影响。 | |||
3、性能指标 | ||||
结构材料 | 隔离膜片:316不锈钢、哈氏合金C、蒙乃尔合金、钽。 O型圈(介质接触处):氟橡胶 法兰和螺栓:316不锈钢。 灌充液:硅油或惰性油。 电气壳体:低铜铝合金。 螺栓:碳钢镀铬 | |||
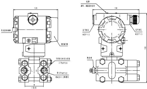
引压连接件 | 在压力容室上的连接螺孔为1/4NPT,引压接头上的连接螺孔为1/2NPT,其中心距见各种型号的外形尺寸图 信号电缆连接螺孔为M20×1.5 | |||
外壳防护等级 | IP65 | |||
重 量 | 3.9kg(不包括选件,带法兰变送器除外) | |||
-40℃- -10℃; 60℃ -85℃温漂为表列数值的1.5倍.
非智能型温漂为智能型的3倍.
六、结构尺寸
AO3051系列安装方式图



AO3051系列外形尺寸图

量程代码 | M(mm) | 对应型号 | ||||||
0 | 59.1 | AO3051GP | ||||||
2 | 54.0 | AO3051SP | AO3051DR | |||||
3 | 54.0 | AO3051GP | AO3051SP | AO3051DP | ||||
4 | 54.0 | AO3051GP | AO3051AP | AO3051SP | AO3051DP | AO3051HP | ||
5 | 54.0 | AO3051GP | AO3051AP | AO3051SP | AO3051DP | AO3051HP | ||
6 | 55.6 | AO3051GP | AO3051AP | AO3051DP | AO3051HP | |||
7 | 55.6 | AO3051GP | AO3051AP | AO3051DP | AO3051HP | |||
8 | 57.2 | AO3051GP | AO3051AP | AO3051DP | ||||
9 |
| |||||||


